Нагреватель состоит из электрического нагревательного элемента с присоединительной резьбой G 6/4“. Под крышкой электропроводки находится рабочий термостат, предохранительный термостат, контрольная лампочка работы элемента и присоединительный клеммник. На случай использования в гелиосистемах с дополнительным нагревом электрической энергией водонагреватели OKC … NTR, NTRR, OKCE … NTR, NTRR оснащены патрубком G 6/4“ для монтажа вспомогательного электронагревателя. Нагреватель устанавливается над нижним теплообменником.
Указания по установке: При эксплуатации элемент и гильза датчиков должны быть достаточно окружены со всех сторон водой. Не должно создаваться препятствий тепловому потоку воды. Монтажные положения – горизонтальное или вертикальное снизу. Патрубок 6/4 “ может иметь длину максимум 70 мм. Если он длиннее, необходимо использовать вариант с удлиненной охлаждающей частью. При длине патрубка до 100 мм он должен быть расширен со стороны воды или подточен на участке длиной мин. 40 мм до минимального диаметра 50 мм. Максимальное давление в резервуаре – 10 бар.
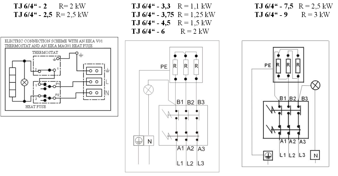
Электрический термоэлемент с резьбовым соединением серии TJ является отдельным электрическим водонагревательным устройством и используется для вспомогательного нагрева воды в водонагревателях серии NTR/NTRR. Термоэлемент оборудован рабочим и предохранительным термостатами и крепится патрубком с резьбой G 6/4".
Мощность термоэлемента можно выбирать в диапазоне 2–9 кВт, напряжение тока – 230 или 400 В. Внешняя панель управления термостата позволяет плавно регулировать температуру в диапазоне от 0 до 75°C.
Конструктивная схема:

Схема подключения:

Для удобства навигации предлагаем Вам подборки всех типов бойлеров разного объема - на 80, 100, 125, 160, 200, 250 и 300 л.
Нет отзывов о данном товаре.
Нет отзывов о данном товаре, станьте первым, оставьте свой отзыв.
Нет вопросов о данном товаре, станьте первым и задайте свой вопрос.