


Набор 4 в 1 с подвесным унитазом
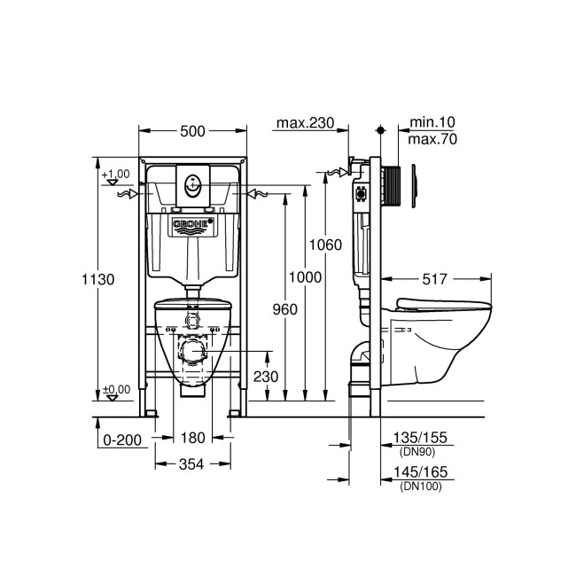
Системы инсталляций Grohe Rapid SL 4 в 1 являются универсальным решением для установки подвесного унитаза в ванных и туалетных комнатах. Благодаря входящим в комплект специальным креплениям и клавише смыва вы можете одним заказом решить вопрос установки подвесного унитаза у себя дома. Не лишним будет приобрести шумоизолирующую прокладку для бачка.
Инсталляционные системы Grohe, встраиваемые смывные бачки, смывные клапаны и панели смыва позволяют реализовывать проекты оснащения ванных комнат высокого уровня комфорта, с применением самых современных подвесных фаянсовых приборов.
Состав комплекта:
для подвесного унитаза
смывной бачок GD 2 с маленьким ревизионным окошком
38721001 монтажная высота 1,13 м
для монтажа перед стеной или стеной перегородкой
самонесущая стальная рама с порошковым напылением подготовлена для облицовки
фиксированные подключения для одиночного или рядного монтажа
быстрая регулировка по высоте
крепежный материал: 2 болта-держателя для унитаза, крепление для керамики
расстояние между болтами 180/230 мм
PP-смывная дуга DN 80
регулировка глубины монтажа
переходник DN 80/100
впускной и смывной гарнитуры
смывной бачок GD 2, 6 - 9 л
заводская настройка 6 л и 3 л
пневматический смывной клапан с тремя режимами слива: 2-х объёмный, старт/стоп, или непрерывный
подключение воды слева, справа и сзади
арматурная группа I в соответствии с DIN с изоляцией от конденсационной влаги
подключение воды DN 15
монтаж ревизионного окна, не требующий инструментов, для вертикального и горизонтального монтажа
c принадлежностями для монтажа перед стеной
Клавиша смыва Skate Air:
2 объема смыва или прерывание смыва старт/стоп
для вертикального и горизонтального монтажа
материал - ABS
вертикальный монтаж, 156 x 197 мм
цвет: хром
Крепление Grohe Rapid SL:
для монтажа перед стеной
для крепления элементов к капитальной стене или перед стеной-перегородкой
бесступенчатая регулировка глубины от 130 - 203 мм
облицовка для одиночного или рельсового монтажа
крепежный материал 2 шт
Подвесной унитаз Lecico Geo с крышкой Soft-Close:
размеры: 355 х 485 мм
в комплекте: крышка Soft-Close (микролифт), материал Duroplast
горизонтальный выпуск
цвет: белый
Дополнительно:
шумоизолирующая прокладка Grohe (37131000)
Нет отзывов о данном товаре.
Нет отзывов о данном товаре, станьте первым, оставьте свой отзыв.
Нет вопросов о данном товаре, станьте первым и задайте свой вопрос.