


Включает в себя:
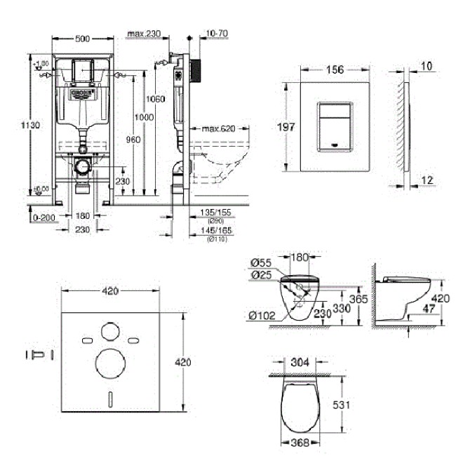
Система инсталляции для унитаза GROHE Rapid SL (1,13 м) (38528001)
для монтажа перед стеной или стенной перегородкой
самонесущая стальная рама с порошковым напылением, подготовлена для облицовки
фиксированные подключения
быстрая регулировка по высоте
крепежный материал
проверено -TUEV
2 болта-держателя для унитаза
крепление для керамики
для подвесных унитазов с опорной поверхностью менее 205 мм требуется дополнительный аксессуар 38779000
расстояние между болтами 180/230 мм
выходной патрубок для унитаза O 90 мм
регулировка глубины монтажа
редуктор O 90/110 мм
впускной и смывной гарнитуры
Страна производства: Германия
Универсальный монтажный уголок (2 шт.) для GROHE Rapid SL (3855800M)
для монтажа перед стеной
для крепления элементов к капитальной стене или перед стеной-перегородкой
бесступенчатая регулировка глубины от 130 - 203 мм
облицовка для одиночного или рельсового монтажа
крепежный материал
2 шт
Страна производства: Германия
Унитаз подвесной безободковый GROHE Bau Ceramic, (без сиденья), альпин-белый (39427000)
1 отверстие под смеситель
с переливом
санитарная керамика
Страна производства: Египет
Сиденье для унитаза GROHE Bau Ceramic (с микролифтом), альпин-белый (39493000)
с крышкой
с креплением
быстросъемное сиденье
материал: Дюропласт
совместимо со всеми унитазами Керамики Bau
Страна производства: Китай
Панель смыва для унитаза GROHE Skate Cosmopolitan (3 режима смыва), хром (38732000)
2 объема смыва или прерывание смыва старт/стоп
для пневматического смывного клапана
для вертикального и горизонтального монтажа
размер: 156 x 197 мм
материал: ABS
GROHE StarLight хромированная поверхность
GROHE EcoJoy технология совершенного потока при уменьшенном расходе воды
Страна производства: Германия
Звукоизоляционный комплект для систем инсталляции GROHE Rapid SL (37131000)
Для унитаза
Звукоизоляционная панель
2 резиновые втулки
Страна производства: Германия
Нет отзывов о данном товаре.
Нет отзывов о данном товаре, станьте первым, оставьте свой отзыв.
Нет вопросов о данном товаре, станьте первым и задайте свой вопрос.