


Подвесной унитаз 39427000
Для тех, кто хочет сделать капитальный ремонт в туалете или просто поменять некоторые элементы, подвесной унитаз GROHE Bau Ceramic сможет многое вам предложить. Его простая эстетика сможет улучшить любую ванную комнату.
Это безободковый унитаз, который изготавливается из гладкого фарфора в цвете "альпин-белый", что не дает бактериям ни одного шанса на размножение.
В то же время унитаз не требует сложного обслуживания и предлагает эффективный смыв. Спроектированный для работы с бачком скрытого монтажа, объем смыва составляет 6/3 л.
для бачка скрытого монтажа
омыв всей окружности чаши
безободковый
горизонтальный выпуск
объем смыва 6/3 л
Сиденье 39493000
Добавьте завершающий штрих в вашу ванную комнату или уборную умный дизайн и простоту использования, которую предлагает утонченное сиденье для унитаза GROHE Bau Ceramic с крышкой.
Созданное, чтобы идеально сочетаться с керамикой GROHE Bau, это сиденье сделано из долговечного материала дюропласт и включает в себя функцию быстрого снятия - сиденье фиксируется на месте быстроразъемным шарниром - для простой очистки.
Функция GROHE SoftClose означает, что и крышка, и сиденье плавно и без труда открываются и закрываются: никакого неожиданного шума или защемленных пальцев.
Монтажный набор из нержавеющей стали для сиденья также включен в комплект.
с крышкой
быстросъемное сиденье
материал: Дюропласт
с креплением
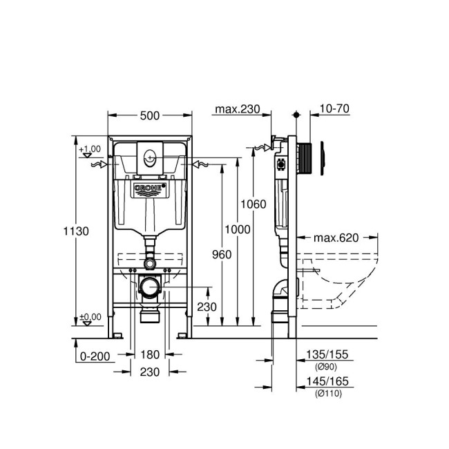
Инсталляция 38721001
Инсталляционная система Rapid SL поставляется совместно со смывной панелью Skate Air цвета хром.
Используя систему быстрого монтажа GROHE QuickFix®, вы установите инсталляционную систему в мгновение ока.
Для максимальной безопасности, стальной каркас рамы инсталляции сертифицирован при нагрузке свыше 400 кг. Установленный перед стеной или в гипсокартонную перегородку, подвесной унитаз и бачок скрытого монтажа обеспечивает оптимальный уровень гигиены и простоту уборки ванной комнаты.
Благодаря технологии двойного смыва GROHE EcoJoy®, водопотребление инсталляционных систем Rapid SL может быть снижено на 50%, тем самым уменьшая ваши расходы за коммунальные услуги.
Созданные с применением технологии GROHE Whisper® для повышенного уровня шумоизоляции системы инсталляции серии Rapid SL предоставляют оптимальный уровень защищенности от шума.
Звукоизоляционный комплект 37131000
для унитаза
Звукоизоляционная панель
2 резиновые втулки
Нет отзывов о данном товаре.
Нет отзывов о данном товаре, станьте первым, оставьте свой отзыв.
Нет вопросов о данном товаре, станьте первым и задайте свой вопрос.