


Инсталляционные системы Rapid SL имеют большое количество преимуществ.
Созданные с применением технологии GROHE Whisper® для повышенного уровня шумоизоляции системы инсталляции серии Rapid SL предоставляют оптимальный уровень защищенности от шума.
Благодаря технологии двойного смыва GROHE EcoJoy®, водопотребление инсталляционных систем Rapid SL может быть снижено на 50%, тем самым уменьшая ваши расходы за коммунальные услуги.
Благодаря технологии GROHE QuickFix®, вы установите инсталляционную систему в мгновение ока. Вам не понадобится никаких инструментов для подключения водоснабжения к инсталляции и ревизионного окна бачка.
В комплект инсталляционной системы входит смывная панель Skate Cosmopolitan белого цвета.
Для максимальной безопасности, стальной каркас рамы инсталляции сертифицирован при нагрузке свыше 400 кг. Установленный перед стеной или в гипсокартонную перегородку, подвесной унитаз и бачок скрытого монтажа обеспечивает оптимальный уровень гигиены и простоту уборки ванной комнаты.
Данный комплект поставляется совместно со смывной панелью Skate Air.
смывной бачок GD 2
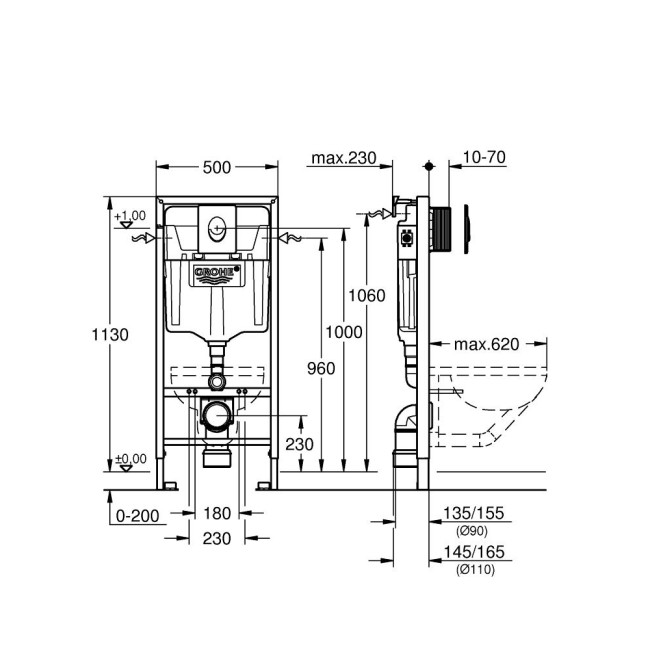
монтажная высота 1,13 м
для монтажа перед стеной или стеной перегородкой
самонесущая стальная рама с порошковым напылением
подготовлена для облицовки
фиксированные подключения
быстрая регулировка по высоте
крепежный материал , проверено -TUEV
2 болта-держателя для унитаза
крепление для керамики
для подвесных унитазов с опорной поверхностью менее 205 мм
требуется длополнительный аксессуар 38 779 000
расстояние между болтами 180/230 мм
выходной патрубок для унитаза O 90 мм
регулировка глубины монтажа
редуктор O 90/110 мм
впускной и смывной гарнитуры
смывной бачок GD 2, 6 - 9 л
заводская настройка 6 л и 3 л
Пневматический смывной клапан с тремя режимами
слива: 2-х объёмный, старт/стоп, или непрерывный
Подключение воды слева, справа и сзади
Арматурная группа I , с изоляцией от конденсационной влаги
подключение воды DN 15
во время сборки не требуется дополнительного инструмента
для монтажа инспекционного короба
для вертикального или горизонтального монтажа
с принадлежностями для монтажа перед стеной
с накладной панелью Skate Air
вертикальный монтаж , 156 x 197 мм , альпин-белый , из ABS
На нашем сайте Вы так же можете купить шланги смесителя, дополнительно можно приобрести смесители для ванной и умывальника, запчасти на смеситель, двойная раковина на кухню и гигиенический душ с термостатом, приятных покупок!
Нет отзывов о данном товаре.
Нет отзывов о данном товаре, станьте первым, оставьте свой отзыв.
Нет вопросов о данном товаре, станьте первым и задайте свой вопрос.